H2 Sensor
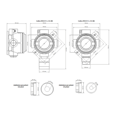
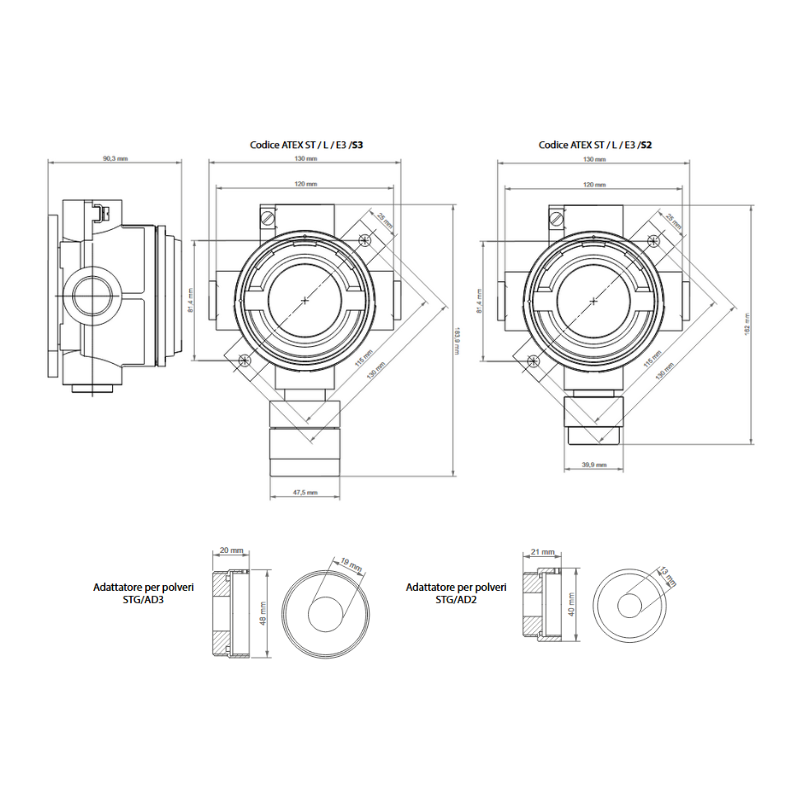
Il rilevatore H2 SENSOR è adatto all’installazione in aree industriali e zone ATEX; grazie alla custodia a prova di esplosione può essere installato in zona 1 e, se munito dell’adattatore per polveri, in zona 21. L’elemento sensibile è alloggiato nella testa in acciaio inossidabile. Sviluppato in delle versioni distinte a seconda delle dimensioni: il modello “testa corpo 2” ha un diametro di 40 mm, mentre il modello “testa corpo 3” ha diametro di 48 mm.
Per la rilevazione di sostanze infiammabili viene usato il sensore catalitico, che unisce una linearità eccellente fino al 100% LFL a veloci tempi di risposta. Il rilevatore ha un’alimentazione 12-24 Vdc, in uscita ha un segnale 4-20 mA su tre fili come standard. Come optional può essere aggiunta la comunicazione seriale RS485 e una scheda a 1 o 3 relè.
La custodia è in alluminio con un ingombro totale di 120 x 162 x 90 mm nel caso venga equipaggiata con una testa corpo 2, oppure di 120 x 184 x 90 mm nel caso venga usata la testa corpo 3. Tutti gli ingressi sono filettati con filettatura 3/4” NPT. Il rilevatore può essere marcato ATEX secondo le seguenti modalità:
0722 II 2G Ex db IIC T5 Gb
0722 II 2GD Ex db IIC T5 Gb
Ex tb IIIC T5 T100°C Db
IP65
Oppure, se munito di adattatore per polveri: Il rilevatore è anche certificato secondo lo schema internazionale IECEx e marcato:
II 2G Ex db IIC T5 Gb
II 2GD Ex db IIC T5 Gb
Ex tb IIIC T5 T100°C Db
IP65
Oppure, se munito di adattatore per polveri:
Il rilevatore H2 SENSOR ha hardware certificato SIL2 e software SIL3; creando un sistema ridondante anche l’hardware ha livello di sicurezza SIL3.
Sensore
Applicazione Aree industriali, ATEX Zona 1 e Zona 21 (se munito di adattatore per polveri, opzionale)
Sensore Catalitico
Vita stimata del sensore 4 / 5 anni
Gas rilevati Gas infiammabili
Fondoscala 0 - 100% LFL
Parametri elettrici
Alimentazione 12-24 Vdc
Uscita di segnale Uscita analogica 4-20 mA; scheda 1 o 3 relé (op-
zionale); uscita seriale RS485 (opzionale)
Massima potenza dissipata 5.4 W
Portata contatti relays (scheda opzionale)
1.0 A a 30 Vdc
Indicazioni visive -
Indicazioni acustiche -
Sensore effetto Hall -
Condizioni ambientali
Temperatura di stoccaggio -40 / +85°C
Temperatura operativa -40 / +60°C *
Umidità di funzionamento 20 / 90% RH @40°C *
Pressione operativa 80 / 120 kPa *
Velocità dell’aria 6 m/s *
Tempo di risposta t90 < 60 s ; t50 < 20 s *
* Valori testati seconda la norma EN 60079-29-1
Materiale Custodia: alluminio pressofuso con vernice epossidica resistente cromaticamente e chimicamente
Testa con elemento sensibile: acciaio INOX
Modo di protezione Ex d : Custodia prova di esplosione
Ex t : Modo di protezione mediante custodie,
per apparecchi destinati ad essere utilizzati in
presenza di polveri esplosive (se rilevatore mu-
nito di adattatore per polveri, opzionale)
Dimensioni Ingombri con testa corpo 2: 120 x 162 x 90 mm
Ingombri con testa corpo 3: 120 x 184 x 90 mm
Peso Peso con testa corpo 2: 1050 g
Peso con testa corpo 3: 1250 g
Ingresso cavi 3 x 3/4” NPT
Grado IP IP65
Prodotti simili
Appartengono alla stessa categoria




